本文介紹了使用AD9854芯片和FPGA,并基于DDS理論設計并實現了多模式多波形雷達信號源。它可模擬LFM、NLFM、單頻、相位鳊碼等多種脈沖信號波形,能有效驗證脈沖壓縮與信號處理單元的工作性能。測試結果表明,該系統能滿足設計要求。
1.雷達信號源設計要求
雷達信號源的設計在雷達測試中有著非常重要的作用。本文設計的雷達信號源要求實現三個功能:
(1)要求該系統能產生多種波形信號,包括:線性調頻信號,非線性調頻信號等。要求信號的指標都能夠達到要求。
(2)要求能模擬雷達回波,能夠對信號進行延時,使信號能夠在距離波門內,來滿足信號處理機的要求;并且能夠在信號中加入多普勒頻移,使信號處理機可以測試測速模塊的性能。要求該信號源能有效地驗證脈沖壓縮與信號處理單元的工作性能,評估系統的分辨力。
(3)與外部通信。該信號源與整個雷達系統是相參的,使用同一個時鐘,保證該模塊與整個系統是同步工作的。該模塊受外部控制,主要是從RS 422接口接收由定時板發送過來的差分信號;當接收到觸發信號時,就開始產生信號;當接收脈沖選擇信號的時候,進行模式轉換,能產生8種模式的信號。
DDS在相對帶寬、頻率轉換時間、相位連續性、正交輸出、高分辨力以及集成化等方面都遠遠超過了傳統頻率合成技術所能達到的水平,為系統提供了優于模擬信號源的性能。
FPGA具有集成度高、通用性好、設計靈活、編程方便等諸多優點,因此采用AD9854和FPGA來設計雷達信號源。
2.系統方案概述
根據雷達信號源系統設計的要求,總體框圖如圖1所示。該系統主要由FPGA時序控制部分、AD9854頻率合成部分、波形存儲三部分組成。在此重點闡述FPGA設計和AD9854硬件設計兩部分。

圖1 系統原理框圖
系統的主體部分主要由高速數字邏輯時序控制模塊(FPGA)和DDS芯片AD9854構成,還包括放大模塊、濾波模塊、存儲模塊、時鐘模塊、電源模塊。該部分通過FPGA對整個電路的數字部分進行時序控制,包括給AD9854發送數據、地址、時鐘以及控制信號。AD9854是DDS芯片,能產生所需要的信號。存儲部分采用了FLASH和SRAM;FLASH主要用來存儲波形文件,而SRAM主要是在開機時暫存數據文件。
通過控制面板發送觸發信號和模式選擇信號對系統信號產生進行控制。當FPGA接收到觸發信號時,FPGA才開始工作,并且給AD9854發送數據以產生信號。模式選擇信號是3位的二進制數,可以產生8種狀態??刂泼姘搴虵PGA通過RS 422電平相連,通過差分數據線來傳輸數據。
PC機應用軟件完成所需各種軟件的波形數據的計算,包括起始頻率FTW,頻率分辨率DFW,時間分辨率RRC等數據,然后將所得的數據轉化成.dat格式。PC通過串口與系統主板進行數據通信,通過MAX3232進行電平轉化。數據最后存儲到主板的存儲器中(FLASH和SRAM);當系統工作時,FPGA從FLASH中讀取波形文件來產生信號。
3.AD9854模塊
3.1AD9854芯片介紹
數字頻率合成芯片AD9854是用于高端DDS技術的一款芯片,如圖2所示。該芯片帶有兩個高速、高性能的正交D/A轉換器,可以同時輸出I/Q兩路正交信號。當參考時鐘源很精確時,AD9854能夠產生高穩定度的,頻率、相位、幅度均可編程的正弦和余弦曲線,被廣泛地應用于通信、雷達、儀器等應用領域。AD9854的高速DDS內核能夠提供48 B的相位累加器和頻率累加器(在300 MHz的系統時鐘下,可達1μHz的頻率分辨率);其中17 B的相位-幅度映射位數能夠確保該芯片優良的無雜散動態范圍(SFDR)性能。

圖2 AD9854芯片
3.2AD9854芯片特點
(1)300 MHz內部時鐘速率
(2)FSK、BPSK、PSK、線性調頻、AM操作
(3)兩個集成式12位數模轉換器(DAC)
(4)超高速比較器,均方根抖動:3 ps
(5)出色的動態性能:80 dB SFDR (100 MHz ± 1 MHz AOUT)
(6)4×至20×可編程基準時鐘乘法器
(7)兩個48位可編程頻率寄存器
(8)兩個14位可編程相位偏移寄存器
(9)12位可編程振幅調制和開關輸出形鍵控功能
(10)單引腳FSK和BPSK數據接口
(11)通過輸入/輸出接口提供PSK功能
(12)線性或非線性FM線性調頻功能,具有單引腳頻率保持功能
3.3AD9854芯片工作模式
AD9854具有5種可編程操作模式,通過改變控制寄存器(并行尋址方式下的地址為1FH)的控制位即可以選擇相應的模式。根據本方案,主要對單頻(Single Tone)模式和調頻(Chirp)模式進行探討。5種模式的選擇表如表1所示。

(1)單頻模式
系統上電或硬件復位時,AD9854自動進入該默認模式,此時芯片輸出的信號是直流信號。當對頻率控制字進行設定后,即可輸出單頻信號。
(2)調頻模式
此處的調頻模式即為常見的脈沖調頻模式。AD9854同時支持線性和非線性這兩種調頻模式。該雷達信號源要求既能產生線性調頻信號,也能產生非線性調頻信號,所以AD9854完全能滿足要求。脈沖調頻信號的時寬主要是由update clock來決定。當第一個update clock信號到來時,AD9854把I/O緩存中的FTW,DFW,RRC以及其他的控制字都送到可編程寄存器中,AD9854開始工作。當脈沖調頻信號結束時,通過FPGA再發送一個update clock信號,然后就把I/O緩存中的清零數據送入了可編程寄存器中。
4.系統硬件實現
4.1電源和時鐘設計
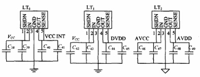
在該系統中,采用線性電源LT1764進行電平轉換,把5 V轉成3.3 V和1.5 V,為FPGA和AD9854等芯片提供電源。濾波電容分為旁路電容和去耦電容。旁路電容把前級攜帶的高頻雜波濾去,還可以有效地旁路地和電源上的地彈噪聲。旁路電容一般容值都比較小,根據諧振頻率一般是0.1μF和0.01μF。去耦電容也稱退耦電容,是把輸出信號的干擾作為濾除的對象。去耦電容一般比較大,取值為47μF和10μF。如圖3所示。

圖3 電源模塊
時鐘電路與FPGA的電源面要隔離開(可以在同一個層),只通過鐵氧體磁珠(ferritebead)相連。鐵氧體磁珠在低頻時阻抗很低,而在高頻時阻抗很高,可以抑制高頻干擾,這樣外面的高頻干擾不會影響時鐘芯片,而時鐘芯片內部產生的振蕩信號也不會影響到外面的電路。時鐘部分的地和整個PCB的地是一個統一的整體,不要分割。
在時鐘芯片的電源引腳處放一個容值為10μF的鉭電容,不僅可以防止由于電壓波動引起的電流涌動,還可以抑制低頻干擾;同時大電容的后面并聯一個0.1μF的小電容,且所放的位置要盡可能地靠近電源引腳,這樣可以減小外來的電源噪聲。在靠近時鐘輸出的引腳要串接一個50 Ω的電阻以減小輸出電流,提高時鐘波形的質量。時鐘線盡量少使用過孔,因為過孔使阻抗發生變化,影響信號的質量,進而產生EMI輻射和抖動問題。
4.2存儲模塊設計
在該系統中,采用FLASH和SRAM作為存儲器。FLASH主要用于存儲波形文件,掉電時,數據也不會丟失。而SRAM是做高速數據緩存的,掉電后數據會丟失。首先FPGA從FLASH中讀取波形文件,然后再存儲到SRAM中,需要這些波形數據時候,再從SRAM中去讀取。這樣的設計是因為FLASH的讀/寫速度比較慢,而SRAM的讀/寫速度比較快。但是FLASH中的數據掉電不會丟失,而SRAM中的數據掉電要丟失。
4.3放大及濾波電路設計
為了提高DDS信號產生系統的帶負載能力,同時實現AD9854芯片內嵌數/模轉換器輸出的電流轉換,需要在其后加入運算放大器(見圖4)。該運算放大器性能的好壞將決定信號的輸出質量及系統帶負載的能力。由于方案中信號輸出的最高頻率為120 MHz,所以應保證放大器在較高頻率范圍內具有很好的線性度,防止放大器自激。根據頻率源的設計要求,該方案中的放大器模塊應滿足以下要求:放大器的增益可調、放大器的帶寬應大于120 MHz、輸出帶載能力強、信號輸出質量較好。綜合以上要求,選擇ADI公司的寬帶運算放大器AD8014作為放大器模塊的核心器件。AD8014的主要性能特點有:低功耗;穩定增益G=1;高速,Slew Rate 4 000 V/μs,24 ns的建立時間;
在該方案中,放大電路采用串連電壓負反饋-反相比例放大電路。

圖4 橢圓低通濾波器及放大模塊電路圖
采用串聯電壓負反饋將使放大器的輸入阻抗增大,輸出阻抗減小,提高電路輸出信號的帶負載的能力。在電路中,反饋電阻R16采用可調電阻,使電路的增益可調;同時在放大器的正、負電源輸入端加電容去藕濾波電路,以減小電源紋波對放大器的影響。
根據AD8014的要求,在進行PCB布線時,需在其周圍均鋪上了地網;但是,為了降低寄生電容對電路輸入的影響,其輸入腳附近沒有鋪地。在進行器件布局時,反饋電阻R16應盡量靠近AD8014的反向輸入端。
為使中頻模擬器有較好的通用性,而雷達中頻變化范圍較寬,考慮到在濾除諧波分量的同時要盡可能減少相位的不連續性,因此設計了一個帶寬為40MHz的9階無源低通濾波器。
5.FPGA實現
5.1FPGA設計概述
FPGA用于建立與DDS芯片(AD9854),FLASH(E28F128J3A)以及SRAM(IS61LV10248)之間的聯系,主要負責以下兩個方面:
(1)發送DDS控制字并控制DDS芯片的時序;
(2)控制存儲芯片的時序,并發送或讀取所要存儲的波形數據。FPGA內部采用原理圖和Verilog HDL相結合的方式進行軟件設計。
下面重點介紹DDS控制部分的實現。
5.2DDS控制模塊
DDS控制模塊負責讀取片內雙口RAM中的DDS控制字,并將AD9854的時序寫入DDS芯片,控制DDS的工作。
DDS控制模塊在每次寫AD9854控制字之前先對RAM發出讀使能,同時給出讀地址,讀取當前控制字,然后按照時序要求寫入DDS芯片。Quartus中仿真的時序圖如圖5所示。

圖5 FPGA給AD9854送數的時序仿真圖
以下將介紹控制AD9854的流程。
首先對AD9854進行復位,FPGA發送高電平給AD9854第71管腳,高電平持續的時間長度要超過20個周期的AD9854采樣時鐘。復位信號使AD9854的所有寄存器恢復到默認狀態。需要注意的是,復位信號的長度必須滿足一定的要求,否則在實際操作中可能會出現錯誤。
當FPGA接收到外部發送的觸發信號以后,DDS控制模塊就開始工作了。首先從雙口RAM中讀取波形數據,包括起始頻率(FTW),增量頻率字(DFW),斜率時鐘(RRC)以及控制信號。DDS控制模塊給雙口RAM送讀使能和讀地址,然后把雙口RAM中的數據讀到數據選擇模塊中。之后接收波形模式選擇信號。這個信號是三位二進制數,總共有8種工作模式,總的來說分為工作模式和測試模式。當系統為工作模式的時候,該系統就是雷達發射機的中頻信號模塊。在工作模式下,該中頻信號模塊能發射4種模式的波形:時寬是0.2μs的正弦波,時寬為5μs的線性調頻波,時寬為30μs的線性調頻波和時寬80μs的線性調頻波。當發射信號為時寬是0.2μs的正弦波或時寬為5μs的線性調頻波時,對近區的目標進行搜索;當發射信號是時寬為30μs的線性調頻波時,對中區的目標進行搜索;當發射信號為時寬為80μs的線性調頻波時,對遠區的目標進行搜索。當系統為測試模式的時候,也分為時寬為0.2μs,5μs,30μs,80μs這4種模式的信號,但是當信號時寬為0.2μs時,信號中加入了多普勒頻率,這樣就為信號處理機檢測測速單元提供了方便。該系統為測試模式時主要且模擬雷達回波信號的作用。如圖6所示。

圖6 模式選擇模塊
當接收到模式選擇信號以后,DDS控制模塊開始給AD9854送數據。這時,FPGA給AD9854傳送的數據都保存在I/O緩存區內。接著,FPGA就給AD9854發送update clock。這樣,I/O緩存區內的數據就送入AD9854的寄存器中,AD9854開始產生信號。最后,給AD9854的控制寄存器地址為1F的第七位送高電平,這樣就把信號清零,從而產生了脈沖信號。
6.系統測試
6.1系統測試框圖
根據該設計系統的設計思想和工作原理,結合系統測試指標要求,提出系統測試方案和使用儀器。測試儀表主要包括信號源、頻譜儀、萬用表、電源、示波器等。
按照框圖連接測試儀表,設置直流電源輸出電壓為±5 V,通過相應接口送入雷達信號產生器的電源接口。設置信號源,輸出中心頻率為30 MHz,功率為(0±1)dBm線性調頻波。測試時雷達信號產生器工作于外觸發模式下,當接收到外部觸發信號時開始產生波形。雷達信號源的信號送入示波器(泰克的DPO4104),測試信號的時域參數,包括時寬,幅度,脈沖前后沿,本底噪聲等。雷達信號源的信號送入頻譜儀(羅德與施瓦茨的頻譜儀FSMR)測試信號的頻域參數,包括信號的頻率、帶寬、諧波和帶內雜散等。
系統測試框圖如圖7所示。

圖7 波形產生測試框圖
6.2系統測試結果
時域測試結果如圖8所示。

圖8 時寬為80μs以及0.2μs的信號
圖9圖10為頻域測試結果。

圖9 信號頻譜及測試諧波抑制圖

圖10 測試帶內雜數
通過測試結果分析,可見該雷達信號產生器系統可產生多種不同時寬、帶寬和脈沖重復頻率的LFM、NLFM、脈沖信號,能夠滿足工程應用的需要。
結語
通過對雷達信號源的工程實現進行研究,利用DDS芯片和FPGA實現了多模式多波形的雷達信號源。通過優化硬件設計,改進系統的結構,優化了系統的性能,并給出系統實際測試的結果。為DDS實現雷達信號源提供了設計參考。
電話:18923864027(同微信)
QQ:709211280
〈烜芯微/XXW〉專業制造二極管,三極管,MOS管,橋堆等,20年,工廠直銷省20%,上萬家電路電器生產企業選用,專業的工程師幫您穩定好每一批產品,如果您有遇到什么需要幫助解決的,可以直接聯系下方的聯系號碼或加QQ/微信,由我們的銷售經理給您精準的報價以及產品介紹

